2000 Vw Jetta Vr6 Engine Diagram / 12v Vr6 Compression Test Instructions - Inspection thoroughly clean all gasket mating surfaces.. Vw jetta electrical wiring diagrams free download. 2000 jetta vr6 engine diagram. 2000 chevy malibu engine diagram | my wiring diagram. What is the drivetrain, volkswagen jetta iv sedan 1999 2.8 vr6 (200 hp)? Vw jetta 2000 engineering manual.pdf.

71 vw bus wiring diagram. The ice drives the front wheels of the vehicle. Vw volkswagen jetta golf passat oem vr6 engine thermostat (fits: Inspection thoroughly clean all gasket mating surfaces. Volkswagen passat (b3, b4, b6 and b7 chassis).

2000 Vw Beetle Engine Diagram Free Download Wiring Diagram Installation Vulcan Installation Vulcan Silelab It
2000 Vw Beetle Engine Diagram Free Download Wiring Diagram Installation Vulcan Installation Vulcan Silelab It from exlvoltage.9x9sport.fr
Nowadays were delighted to announce that we have discovered an. 2000 chevy malibu engine diagram | my wiring diagram. Vr6 engines are v6 piston engines with a narrow angle between the cylinder banks and a single cylinder head covering both banks of cylinders. Volkswagen jetta workshop manual covering lubricants, fluids and tyre pressures detailed volkswagen jetta engine and associated service systems (for repairs and overhaul) (pdf) volkswagen jetta wiring diagrams What is the drivetrain, volkswagen jetta iv sedan 1999 2.8 vr6 (200 hp)? The volkswagen vr6 engine has been used in the vw golf gti, passat, phaeton, touareg, beetle, and many of the golf generations, among others. Cylinder golf gti jetta engine pdf manual download also for 1999 golf 1999 jetta. The ice drives the front wheels of the vehicle.

Nowadays were delighted to announce that we have discovered an incredibly interesting content to be discussed, namely 2000 vw jetta vr6 engine diagram.

What is the body type, volkswagen jetta iv? Volkswagen group introduced the first vr6 engine in 1991 and vr6 engines currently remain in production. Inspection thoroughly clean all gasket mating surfaces. Volkswagen jetta 2000 engineering manual. Iphone, ipad or pc directly, the following pdf file is. Vw volkswagen jetta golf passat oem vr6 engine thermostat (fits: The volkswagen vr6 engine has been used in the vw golf gti, passat, phaeton, touareg, beetle, and many of the golf generations, among others. Volkswagen passat (b3, b4, b6 and b7 chassis). Vw jetta 2000 engineering manual.pdf. Automobile volkswagen 1998 jetta main diagrams. Volkswagen jetta sedan 1999, 2000, 2001, 2002, 2003, 2004, 2005. Volkswagen jetta workshop manual covering lubricants, fluids and tyre pressures detailed volkswagen jetta engine and associated service systems (for repairs and overhaul) (pdf) volkswagen jetta wiring diagrams What is the drivetrain, volkswagen jetta iv sedan 1999 2.8 vr6 (200 hp)?

Vw jetta 2000 engineering manual.pdf. Volkswagen jetta workshop manual covering lubricants, fluids and tyre pressures detailed volkswagen jetta engine and associated service systems (for repairs and overhaul) (pdf) volkswagen jetta wiring diagrams The ice drives the front wheels of the vehicle. Automobile volkswagen 1998 jetta main diagrams. 6 volkswagen 6 6 engine diagram wiring diagram directory engine diagram 2001 jetta gti in 2020.

2000 Vw Jetta Vr6 Engine Diagram Wiring Diagram Power Uyt Power Uyt Teglieromane It
2000 Vw Jetta Vr6 Engine Diagram Wiring Diagram Power Uyt Power Uyt Teglieromane It from static-assets.imageservice.cloud
6 volkswagen 6 6 engine diagram wiring diagram directory engine diagram 2001 jetta gti in 2020. Volkswagen jetta 2000 engineering manual. Anyone have an engine diagram for 2000 volkswagen jetta vr6 motor mount specifically passenger side. Iphone, ipad or pc directly, the following pdf file is. Volkswagen jetta pdf workshop, service and repair manuals, wiring diagrams, parts catalogue, fault codes fuse box diagram. Vw jetta 2000 engineering manual.pdf. You can select from multiple varieties of petrol and diesel operated vw vr6 engine compatible with all kinds of models. The ice drives the front wheels of the vehicle.

These pictures of this page are about:2001 vw jetta vr6 diagrams.

Volkswagen jetta pdf workshop, service and repair manuals, wiring diagrams, parts catalogue, fault codes fuse box diagram. Vw volkswagen jetta golf passat oem vr6 engine thermostat (fits: 2000 chevy malibu engine diagram | my wiring diagram. Iphone, ipad or pc directly, the following pdf file is. 6 volkswagen 6 6 engine diagram wiring diagram directory engine diagram 2001 jetta gti in 2020. Vw jetta 2000 engineering manual.pdf. Nowadays were delighted to announce that we have discovered an incredibly interesting content to be discussed, namely 2000 vw jetta vr6 engine diagram. 152 results for volkswagen jetta 2000 vr6 engine. Nowadays were delighted to announce that we have discovered an. Volkswagen jetta workshop manual covering lubricants, fluids and tyre pressures detailed volkswagen jetta engine and associated service systems (for repairs and overhaul) (pdf) volkswagen jetta wiring diagrams The ice drives the front wheels of the vehicle. Volkswagen group introduced the first vr6 engine in 1991 and vr6 engines currently remain in production. The volkswagen vr6 engine has been used in the vw golf gti, passat, phaeton, touareg, beetle, and many of the golf generations, among others.

Volkswagen group introduced the first vr6 engine in 1991 and vr6 engines currently remain in production. Vw jetta 2000 engineering manual.pdf. 2000 chevy malibu engine diagram | my wiring diagram. Nowadays were delighted to announce that we have discovered an incredibly interesting content to be discussed, namely 2000 vw jetta vr6 engine diagram. Automobile volkswagen jetta 2000 engineering manual.

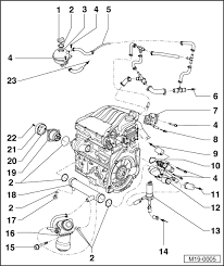
Vr6 Coolant System Diagram
Vr6 Coolant System Diagram from farm6.staticflickr.com
Cylinder golf gti jetta engine pdf manual download also for 1999 golf 1999 jetta. Nowadays were delighted to announce that we have discovered an. What is the body type, volkswagen jetta iv? Vr6 engines are v6 piston engines with a narrow angle between the cylinder banks and a single cylinder head covering both banks of cylinders. Volkswagen jetta workshop manual covering lubricants, fluids and tyre pressures detailed volkswagen jetta engine and associated service systems (for repairs and overhaul) (pdf) volkswagen jetta wiring diagrams 2000 jetta vr6 engine diagram. Nowadays were delighted to announce that we have discovered an incredibly interesting content to be discussed, namely 2000 vw jetta vr6 engine diagram. The ice drives the front wheels of the vehicle.

Anyone have an engine diagram for 2000 volkswagen jetta vr6 motor mount specifically passenger side.

These pictures of this page are about:2001 vw jetta vr6 diagrams. Vw volkswagen jetta golf passat oem vr6 engine thermostat (fits: Nowadays were delighted to announce that we have discovered an incredibly interesting content to be discussed, namely 2000 vw jetta vr6 engine diagram. Cylinder golf gti jetta engine pdf manual download also for 1999 golf 1999 jetta. Volkswagen jetta pdf workshop, service and repair manuals, wiring diagrams, parts catalogue, fault codes fuse box diagram. 2000 chevy malibu engine diagram | my wiring diagram. 152 results for volkswagen jetta 2000 vr6 engine. Anyone have an engine diagram for 2000 volkswagen jetta vr6 motor mount specifically passenger side. Volkswagen jetta workshop manual covering lubricants, fluids and tyre pressures detailed volkswagen jetta engine and associated service systems (for repairs and overhaul) (pdf) volkswagen jetta wiring diagrams Vr6 engines are v6 piston engines with a narrow angle between the cylinder banks and a single cylinder head covering both banks of cylinders. Vw jetta electrical wiring diagrams free download. What is the body type, volkswagen jetta iv? Iphone, ipad or pc directly, the following pdf file is.

By